Дом, Платиновая Показать на карте
Чкаловский район, Шабровский
Екатеринбург
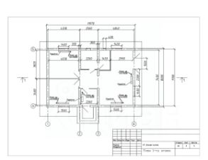
Дом жилая площадь 63м2:Фундамент лента 11,6*6,8м + 18 свай глубиной более 2м по всему периметру. Обвязка стальной арматурой д.12 + бетон М300 (все документы и сертификаты сохранены).Подготовлена подушка под обустройство теплых полов: отсыпка камнем, обвязка стальной сеткой, заливка бетоном М350.Выполнена гидроизоляция между фундаментом и коробкой.Коробка из МЕГАБЛОКА от завода-изготовителя: сертификаты, договоры, проект дома - всё передадим Вам.Внутренние стены из заводского блока, под ними собственный ленточный фундамент.Армопояс со шпильками для обустройства мауэрлата залит.Доска для обустройства кровли имеется, передадим Вам.Высота потолков 3м.Коммуникации:Эл.эн. - действующий договор с ЕЭСК, счетчик на столбе.Газ - по улице проложен, технологический выход к дому предусмотрен, договор не заключали.Канализация и водопровод - технологические выходы на кухне и в с/у согласно проекта дома предусмотрены. Скважину и септик еще не делали.Заезд на участок возможен с двух улиц.Участок 12 сот ИЖС, 66:41:0515020:56 На горе, красивое видовое место! Готовый забор с трех сторон!Инфраструктура:Уличное освещение.Остановка 88 автобуса - 3мин.Школа 137 - шаговая доступность 5-10мин.Детский сад 578 - шаговая доступность 15-20мин.Клуб детского творчества ''Колос''.Поликлиническое отделение 24ГКБ и 8ДГКБ.Храм во имя Казанской иконы Божией Матери (вид из окна).Магазины массмаркета - несколько.Шабровский пруд, березовые рощи, грибные места в окружении поселка.Добротная автодорога в поселок, выезд на ЕКАД, городская электричка о.п. Шабровская.Улица молодая, жилая, прописка городская.Живем в соседнем доме, этот дом строили для старшей дочери, но место и условия ее работы теперь не совместимы с переездом. Тех, кто всей душой рвется из города в тихую размеренную загородную жизнь, ждем на добрососедский просмотр!
63 м2
1 этаж
Бетонные блоки
- Показать контакты
- Добавить в избранное
63 м2
1 этаж
Бетонные блоки
3 990 000
63 333 /м2
